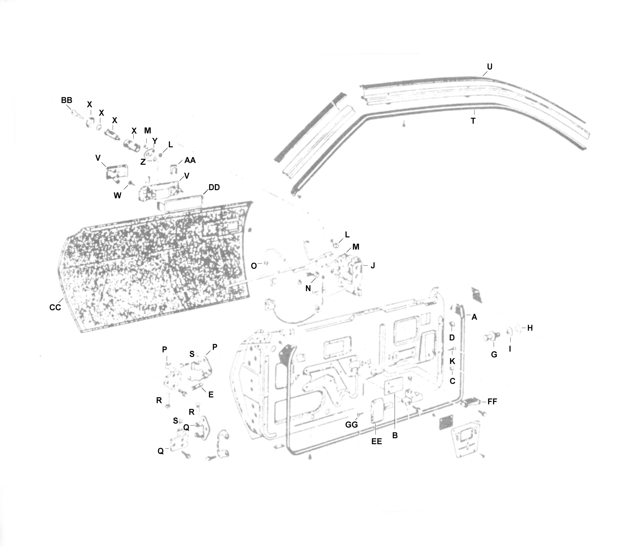
Doors/Hardware
Illustrations

phone: (937) 678-7249  fax: (937) 678-5886

 

 

 

 

 

 

 

 

 

Click here to return to previous page